0932323733 / 0973.277.875
Sản Phẩm: Tổng thành động cơ
Model: XinChai C490BPG
Mã SP: CPCD20/25/30/35
Nhà Sản Xuất: XinChai
Trang bị: Xe nâng HangCha, HeLi, LongKing, EP, BaoLi, LG..
Bảo hành: 3 tháng
Tổng thành động cơ XinChai trang bị trên các dòng xe nâng Trung Quốc HeLi, HangCha, EP, BaoLi, LonKing, LiuGong..model C490BPG, nhập khẩu chính hãng, giao hàng toàn quốc.

Xem thêm sản phẩm Động cơ XinChai 4D27G31
Hãng XinChai là trực thuộc Công ty TNHH động cơ diesel Chiết Giang Xinchai là nhà sản xuất động cơ máy móc xây dựng quy mô lớn đặt tại tỉnh Chiết Giang, Trung Quốc.
Các sản phẩm chủ đạo của nó là các loại xe nâng hàng, máy móc nông nghiệp, máy xúc lật và các loại động cơ diesel và động cơ xăng khác.
Trong số đó, động cơ Xinchai C490BPG và động cơ series A490BPG đã trở thành các mẫu động cơ hỗ trợ chính hiện nay của Trung Quốc cho các dòng xe nâng thương hiệu, bao gồm Hel, JAC, Hangcha, LonKing, EP, Liugong và các xe nâng thương hiệu khác, được trang bị động cơ Xinchai trong một phạm vi rộng. Chào mừng đến với các nhà sản xuất máy móc.
Trong các bài viết tiếp theo, chúng tôi sẽ giới thiệu một số phụ tùng phổ biến của động cơ Xinchai cũng như các thông số và kiến thức sử dụng của chúng.
Động cơ Xinchai dùng cho xe nâng, đặc biệt là xe nâng từ 3-3,5 tấn, các model chủ yếu là A490BPG, C490BPG, 490B hiện nay phổ biến
Động cơ Xinchai dùng cho xe nâng thường có 3 model A, B, C. Chúng khác nhau chủ yếu ở hành trình của các xi lanh động cơ. Sự khác biệt chính giữa Xinchai A490 và C490 là động cơ của mẫu C490 thân thiện với môi trường hơn. Do cấu trúc xi lanh hoàn hảo hơn, tiêu chuẩn khí thải của nó nghiêm ngặt hơn và lượng khí thải ít hơn.
Ở các khía cạnh lắp lẫn: Trục khuỷu (Trục cơ), thanh truyền (Tay Biên), van nạp và van xả của ba kiểu máy này có thể được sử dụng chung.
Trục khuỷu và pít-tông của A490B và B490B là chung.
Xe nâng động cơ diesel Trung Quốc, nhà sản xuất xe nâng EP, nhà cung cấp, nhà máy hãng xe nâng HELI, xe nâng CHL, xe nâng JAC, xe nâng Hangcha, xe nâng HELI 3 tấn, các bộ phận phụ tùng động cơ xe nâng Zoomlion, LiuGong, JAC, LonKing, 911, QC490…
Động cơ XinChai là động cơ được dùng nhiều nhất trên các dòng xe nâng Trung Quốc tại Việt Nam, với ưu điểm là bền bỉ, tiết kiệm nhiên liệu, chi phí sửa chữa rẻ, phụ tùng động cơ XinChai luôn sẵn có, với đầy đủ bộ phận dù là nhỏ nhất.
VÌ thế giá thành của 1 tổng thành động cơ XinChai phù hợp với đa số các đơn vị sử dụng tại Việt Nam:
Hàng nhập khẩu tiểu ngạch vó giá từ 30.000.000-45.000.000 vnđ
Hàng nhập khẩu chính ngạch có giá: 50.000.000-65.000.000 vnđ
Động cơ thường được bảo hành từ 3-6 tháng tùy theo đơn vị phân phối, lắp đặt.

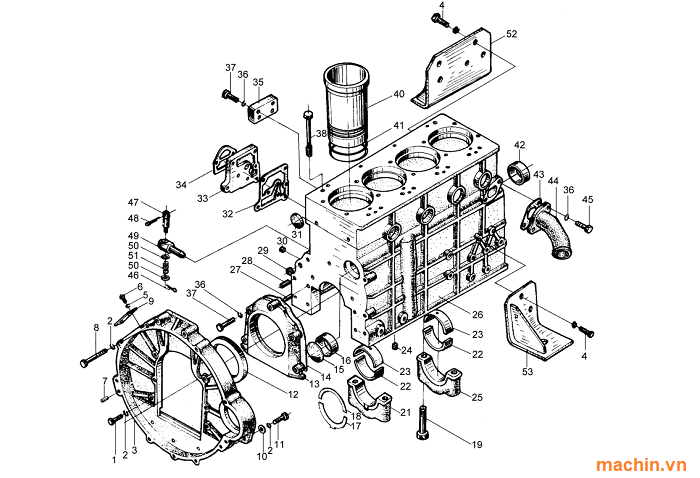
Tổng thành động cơ thông thường được lắp ráp hoàn chỉnh bao gồm các chi tiết chính như: Máy phát điện, củ đề, bơm nước, block máy, mặt máy, bơm dầu cao áp, tuy ô thấp áp, bơm nước, ống hút ống xả, các te.
Các bộ phận cơ khí chính của động cơ diesel thường bao gồm:
Lốc máy, cơ cấu tay quay và thanh truyền, cơ cấu phối khí, hệ thống nhiên liệu, hệ thống bôi trơn, hệ thống làm mát và hệ thống điện.
Thông tin chi tiết của các bộ phận động cơ xe nâng bao gồm:
Bộ hơi đại tụ, van, đế van, ống dẫn van, phớt dầu van, ống lót trục khuỷu, ống lót thanh truyền, lót xi lanh, vòng giữ nước lót xi lanh, pít-tông, chốt pít-tông, vòng chụp chốt pít-tông, Vòng pít-tông, ống bọc đồng thanh nối, miếng đẩy, bộ phận nâng van, cần đẩy van, trục khuỷu, cụm thanh truyền, trục cam, ống lót trục cam, lò xo van, cánh tay đòn van, vít điều chỉnh van, khóa van, bơm nước, Ống dẫn nước, ống nhánh xả, ống nhánh nạp, cánh quạt, khối quạt, dây đai quạt, ròng rọc quạt, ròng rọc trục khuỷu, vỏ bộ điều nhiệt, nắp bộ điều nhiệt, bộ điều nhiệt, bộ phận mặt nạ, giá đỡ động cơ, máy bơm nước ống nước nhỏ, cao áp Cụm bơm nhiên liệu, nhiên liệu cụm kim phun, ống nhiên liệu áp suất cao, bộ lọc diesel, bộ lọc động cơ, bơm nhiên liệu, bộ thu nhiên liệu, bơm phân phối nhiên liệu, van xả, buồng và nắp hộp số định thời, bánh răng trục khuỷu, bánh răng trục cam, bánh răng bơm dầu cao áp, bánh răng bơm thủy lực, trục bánh răng trục, bánh răng trục, đầu xi lanh, nắp đầu xi lanh, nắp bình xăng, lốc xi lanh, chảo dầu, que thăm dầu, vỏ bánh đà, bánh đà, bánh răng vành đai, máy phát điện, khởi động động cơ.
Là bộ xương của động cơ điêzen. Nó hỗ trợ và cài đặt các thành phần khác, bao gồm: khối xi lanh, lót xi lanh, đầu xi lanh, đệm xi lanh, chảo dầu, vỏ bánh đà, hộp số thời gian, chân trước và sau.
Là bộ phận chuyển động chính của động cơ Điêzen. Nó có thể chuyển đổi năng lượng được tạo ra bởi quá trình đốt cháy nhiên liệu thông qua pít-tông, chốt pít-tông, thanh nối, trục khuỷu và bánh đà thành năng lượng cơ học để truyền. Bao gồm trục khuỷu, thanh nối, pít-tông, chốt pít-tông, lò xo chốt pít-tông, ống lót chốt pít-tông, vòng pít-tông, ống lót trục chính, ống lót thanh truyền, ổ đỡ lực đẩy, phớt dầu trước và sau của trục khuỷu, bánh đà, giảm xóc...

Là các bộ phận đóng mở thường xuyên các van nạp, van xả. Bao gồm bánh răng thời gian, trục cam, ta rô, cần đẩy, cần gạt, van, lò xo van, vòng đệm van, dẫn hướng van, khối khóa van, ống nạp và ống xả, bộ lọc không khí, bộ giảm thanh, bộ siêu nạp…
Theo nhu cầu của động cơ, dầu điêzen được cung cấp vào buồng cháy để cháy một cách đều đặn và định lượng. Nó bao gồm thùng dầu diesel, đường dẫn nhiên liệu, bộ lọc diesel, bơm phun nhiên liệu, kim phun nhiên liệu…
Nó cung cấp dầu bôi trơn cho các cặp ma sát chuyển động khác nhau, bao gồm bơm dầu, bộ lọc dầu, van điều chỉnh áp suất, đường ống, dụng cụ, bộ làm mát dầu…
Bộ tản nhiệt do động cơ diesel tỏa ra khí quyển. Nó bao gồm bể chứa nước, máy bơm, quạt, ống nước, bộ điều nhiệt, bộ lọc nước, dây đai quạt, đồng hồ đo nhiệt độ nước, v.v.

Máy phát điện động cơ XinChai
Là thiết bị phụ trợ để khởi động, chiếu sáng, giám sát và vận hành. Nó bao gồm máy phát điện, bộ khởi động, pin, rơle, công tắc, mạch điện, v.v.
Với khả năng sản xuất và sản xuất mạnh mẽ, công ty chúng tôi đã phát triển thành một doanh nghiệp ba chiều tập trung vào nghiên cứu và phát triển, sản xuất và bán Máy phát điện xoay chiều động cơ diesel Xinchai 490bpg Jf11A. Công ty chúng tôi có điều kiện giao thông và thông tin liên lạc tuyệt vời. Chúng ta lấy cải cách, đổi mới sáng tạo làm động lực phát triển, lấy đa dạng hóa, quốc tế hóa, hội nhập, tư bản hóa, chuyên môn hóa làm con đường phát triển.
Xe nâng hàng là phương tiện xử lý công nghiệp, thường chạy bằng động cơ xăng hoặc động cơ điện ắc quy. Nói chung có mười bốn loại động cơ đốt trong cho xe nâng:
Xe nâng dầu 1-1.5 tấn:
Sử dụng động cơ 485 các hãng: Quanchai, Xinchai, Xinjiang, Dachai,…
Động cơ nhập khẩu là 4TEN92 (Yanmar) và C240 (Isuzu).
Xe nâng dầu 2-3.5 tấn:
Sử dụng động cơ 490, 495, 498 các hãng: Quanchai, Xinchai, Xinjiang, Dachai,…,
Hãng động cơ nhập khẩu là 4TEN98 (Yanmar) và 4JG2 (Isuzu).
Xe nâng động cơ diesel 4-5 tấn
Sử dụng 4105 nhiều hơn, và một số được trang bị 498 trong 4 tấn. Các thương hiệu Xinchai, Dachai, Quanchai, Luotuo, Weichai,…
Động cơ nhập khẩu 6102, 6108, 6110 thương hiệu: Chaochai, Yuchai, Xichai.. thường là Isuzu 6BG1 cho xe nâng động cơ diesel lớn 5-10 tấn.
Với công nghệ sản xuất chuyên nghiệp và tiên tiến về động cơ Diesel Xe nâng của hãng sản xuất hàng đầu Trung Quốc XinChai, luôn cố gắng hoàn thiện và đổi mới không ngừng củng cố các lợi thế của mình để đáp ứng nhu cầu thị trường.
Chính sách chất lượng của hãng XinChai là tăng cường quản lý, nâng cao sự hài lòng của khách hàng, đổi mới liên tục và tạo ra một thương hiệu hạng nhất. Chúng tôi luôn cung cấp cho khách hàng những sản phẩm đáng tin cậy và chất lượng cao với hiệu suất chi phí cao và cố gắng tạo ra giá trị cho khách hàng để tăng thị phần và tỷ suất lợi nhuận. Chúng tôi luôn tuân thủ triết lý kinh doanh độc đáo của mình, nhưng cũng tin chắc rằng chúng tôi là đối tác có nhận thức về dịch vụ và đổi mới cũng như danh tiếng kinh doanh tốt. Chủ động học tập, rèn luyện có ý thức, nâng cao chất lượng kinh doanh để hoàn thành xuất sắc nhiệm vụ kinh doanh.
Công ty của chúng tôi là nhà cung cấp xe nâng và phụ tùng chính hãng với 30 năm kinh nghiệm và hơn 95.000 sản phẩm kệ stock kho.

Động cơ XinChai C490BPG
Quý khách khi mua phụ tùng xe nâng hãy liên hệ với chúng tôi để có thêm nhiều sự lựa chọn.
Đối với động cơ diesel xe nâng, các nhãn hiệu Trung Quốc Xinchai NB485, Xinchai C490, Xinchai 490BPG, Xinchai A490, Xinchai 495, Xinchai 498, Xinchai 4D27G31, Xinchai 4D35ZG31, Xinchai 4D32G31..
Động cơ thương hiệu Quanchai:
Quanchai 490, 4C2, 4C3, 4C5, 4C6, 498, 4JR3A2, 4112, 4115, 485
Động cơ thương hiệu XiChai
Xichai 4DW91, Xichai 490, Xichai 4110, Xichai 6110, Xichai 4DF3, Xichai 4DX23
Đông cơ thương hiệu khác
Chaochai 6102G3, Chaochai 4102, Dachai 498, Luoyang YTO 4105, Luoyang YTO 4108, Luoyang YTO 4B3-22, Luoyang YTO 4B322, Luoyang YTO 6108, Weichai 4105, Yuchai 6108, Jiangdong 4102, Lai dong495, Yunnei 490…Chúng tôi có thể cung cấp bạn với chất lượng tốt nhất và giá tốt nhất.
Ngoài động cơ diesel sản xuất tại Trung Quốc, chúng tôi còn cung cấp động cơ xe nâng và phụ tùng động cơ của các hãng Nhật Bản như: Nissan K21, K25, K15, H20-II, H20-I, Isuzu C240PKJ, 6BGI, 4JG2, Mitsubishi S4S, S6S...
Nếu bạn quan tầm cần tư vấn mua tổng thành động cơ XinChai tại 3 miền, hãy gọi cho chúng tôi theo số hotline: 0973277875 / 0932323733, chúng tôi sẵn sàng phục vụ tận tâm 24/7.
Chúng tôi là đại lý phân phổi chính hãng tổng thành động cơ hãng XinChai cũng như phụ tùng động cơ trang bị trên các dòng xe nâng tại Việt Nam.
Xem thêm sản phẩm